# 基本概念

# 时钟与同步

  • 时钟生成

    • 环形振荡器: 由奇数个反相器首尾相连组成。其周期为反相器个数与单个反相器延迟乘积的两倍。
  • 时钟触发

    • 边缘采样: 时序电路在时钟信号的上升沿或下降沿对输入信号进行采样,以更新其内部状态。
  • 时钟域

    • 同步: 指信号的事件发生与时钟的节拍严格保持一致。
    • 时钟域: 指所有同步于同一个时钟信号的信号集合。

# 有限状态机 (FSM)

  • 定义: 一种抽象的数学模型,用于描述一个系统在特定输入下如何从一个状态转移到另一个状态,并产生相应输出。

  • 六大要素:

    • 状态(State): 系统的当前情况。
    • 输入(Input): 外部信号。
    • 输出(Output): 系统的响应。
    • 状态转移函数 ff 决定下一个状态。
    • 输出函数 gg 决定当前输出。
  • FSM 分类

    • 摩尔机(Moore): 输出只与当前状态有关。
    • 米利机(Mealy): 输出与当前状态和当前输入都有关。
  • FSM 描述方法

    • 状态转换表
      • 摩尔机: 表格包含“当前状态”、“输入下的次态”和“对应输出”三列。
      • 米利机: 表格包含“当前状态”和“输入下的次态及对应输出”两列。
    • 状态图
      • 摩尔机: 每个状态用一个圆圈表示,圆圈内部标记状态和该状态下的输出。箭头标记引起状态转移的输入。
      • 米利机: 每个状态用一个圆圈表示,圆圈内部只标记状态。箭头标记引起状态转移的输入和该输入下产生的输出,格式为 “输入/输出”。

# 存储单元:锁存器与触发器

# 锁存器(Latch)

  • 基本概念: 一种能够存储 1 bit 状态的双稳态单元。

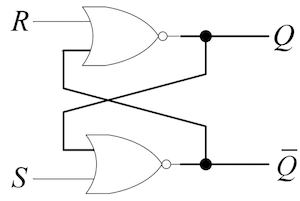
  • SR 锁存器
    • 功能: 由两个交叉耦合的非门或或非门组成,可实现“置位(Set)”、“复位(Reset)”和“保持”功能。
    • 特征方程: Q+=S+RQ (其中 SR=0)Q^+=S+R^\prime Q\ (其中\ SR=0)
    • 功能真值表:
S R Q+Q^+ 功能
0 1 0 复位
1 0 1 置位
0 0 Q 保持
1 1 Q=Q=0Q=Q^\prime=0 不允许

  • 门控 SR 锁存器
    • 功能: 增加了使能信号 C,只有当 C=1 时才能改变状态。
    • 特征方程: Q+=CQ+C(S+RQ) (其中 SR=0)Q^+=C^\prime Q+C(S+R^\prime Q)\ (其中\ SR=0)

  • 门控 D 锁存器
    • 功能: 当使能信号 C 为高电平时,输出 Q 跟踪输入 D。当 C 变为低电平时,输出被锁定在最后的值。
    • 特征方程: Q+=CQ+CDQ^+=C^\prime Q+CD


  • 时序参数
    • 最小脉冲宽度 (tw(min)t_{w(min)}): 保证输入信号有效所需的最短时间。
    • 延迟 (tpHL,tpLHt_{pHL}, t_{pLH}): 从输入变化到输出变化所需的时间。
    • 建立时间 (tsut_{su}): 时钟有效沿到来之前,输入信号必须保持稳定的最短时间。
    • 保持时间 (tht_h): 时钟有效沿到来之后,输入信号必须保持稳定的最短时间。

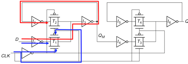
# D 触发器(DFF)

  • 基本概念: D 触发器与门控 D 锁存器的区别在于其符号中 C 处有一个缺口,表示其为边沿触发。
  • 结构: 典型的 D 触发器采用主从(Master-slave)结构。
    • 主级锁存器在时钟高电平时跟随输入,从级锁存器在时钟低电平时跟随主级。
    • 整体上,输出在时钟上升沿时更新,并保持不变,直到下一个上升沿。


  • 主从结构时序参数:
    • 建立时间: 取决于信号从输入端 D 传输到主级锁存器 I2 所需的时间。
    • 保持时间: 保持时间原生满足。
    • 延迟: 取决于信号从主级传输到从级再到输出端所需的时间 (T3+I6T_3+I_6)。
  • 描述方式:
    • 真值表: 描述在不同输入和时钟沿下,输出的变化。
    • 状态图: 描述状态间的转移。
    • 特征方程: 描述下一状态与当前状态和输入之间的代数关系。
    • 激励表: 描述要实现某种状态转移,需要什么样的输入。

# 其他类型触发器

  • T 触发器(TFF): 当输入 T=1 时,状态翻转;当 T=0 时,状态保持不变。
    • 特征方程: Q+=TQQ^+=T\oplus Q
  • JK 触发器(JKFF): 是一种通用的触发器。
    • 当 J=K=0 时,保持;当 J=K=1 时,翻转。
    • 当 J=1, K=0 时,置位;当 J=0, K=1 时,复位。
    • 特征方程: Q+=JQ+KQQ^+=JQ^\prime+K^\prime Q
  • RS 触发器(RSFF): 类似于门控 SR 锁存器,但其状态改变是由时钟的上升沿触发。
    • 特征方程: Q+=S+RQ (其中 SR=0)Q^+=S+R^\prime Q\ (其中\ SR=0)

# 同步时序电路分析与设计

# 电路分析

  • 分析步骤

    1. 电路分析: 导出输出方程、激励方程和状态转移函数。
    2. 行为分析: 根据状态转移函数,创建状态转移表、状态图,并分析电路的时序行为。
  • 摩尔机与米利机对比

    • 摩尔机: 输出变化与状态变化同步。
    • 米利机: 输出是输入和状态的组合逻辑,输出变化与状态和输入的变化异步。
  • 关键路径: 寻找延时最长的逻辑路径,以确定电路的最高工作频率。


# 电路设计

  • 设计步骤

    1. 抽象 FSM: 定义初始状态、系统输入/输出,并建立状态转移关系,判断其为摩尔机还是米利机。注意,输出不参与状态分配。
    2. 状态化简:
      • 行匹配: 找出并合并具有相同次态和输出的行,重复该过程直到无法再合并。
      • 蕴含表: * 构造蕴含表。
        • 根据输出是否相同,标记不可等价的“x”。
        • 根据次态和输出,标记等价的“√”。
        • 对于剩余的单元,填入等价条件,并逐一检查条件,不满足时标记“x”。
    3. 状态分配: 用二进制 0/1 对状态进行编码。
      • 随机编码: 无特定规则。
      • 顺序编码: 如二进制加法计数顺序或格雷码顺序。
      • 独热编码: 每个状态都用一个 N 位二进制码表示,且只有一位为 1。
      • 面向输出的编码: 倾向于将输出相同的状态编码为相邻。
      • 启发式方法: 旨在减少触发器之间的连接数量和功耗。
        • 高优先级: 当输入相同时,次态相同的状态应具有相邻编码。
        • 中优先级: 同一状态的不同次态应具有相邻编码。
        • 低优先级: 具有相同输出的状态应具有相邻编码。
    4. 确定方程: 导出激励方程和输出方程。
    5. 绘制电路图: 根据方程画出逻辑电路图。
  • 应用举例

    • 移位寄存器: 包括右移、左移和双向移位寄存器。
      • 串行输入/输出 vs. 并行输入/输出: 并行输入允许在一个时钟周期内同时加载一组新值。
    • 计数器: * 加法/减法计数器、特殊进制计数器: 需要考虑自启动问题,确保计数器能从任意非指定状态回到正常计数序列。
      • 环形计数器: 由 N 个触发器构成,可表示 N 个不同状态。
      • 扭环形计数器(Johnson Counter): 由 N 个触发器构成,可表示 2N 个不同状态。
      • 异步计数器: * 能表示所有状态。
        • 最低位触发器 Q0Q_0 必须翻转。
        • 高位触发器 QiQ_i 是否翻转,取决于所有低位触发器的状态是否都为 1。
      • 同步计数器: * 能表示所有状态。
        • 利用 QiQ_i 的翻转规则(取决于所有低位触发器的状态是否为 1)来设计。
        • 在设计时需要平衡速度和面积。